私たちは、回転シールを回転させる必要があるすべてのシナリオに「保護圧力耐性長期」三位一体ソリューションを提供することに取り組んでいます。 200以上の材料式と構造特許を通じて、顧客が故障率を下げ、TCOの最適化を達成するのを支援しています。一連の製品モデルは非常に多様です。実際のニーズに応じて選択するか、当社からの回転シールをカスタマイズすることができます。
RCR101ロータリースケルトンシングルリップシール、単一の演技、軸方向の開いたグルーブ設置、広く使用されており、主にベアリングの保護要素として使用されます。
RCR102ロータリースケルトンダブルリップシール、シングル演技、ダストプルーフ補助リップ、軸方向の開いたグルーブ設置、広く使用されており、主にベアリングの保護要素として使用されます。
RCR103ロータリーシール、ダブル演技、サポートリング、高圧回転シーリング条件下でのより良いシーリング効果。
RCR104、RCR105ロータリーシール、二重演技、狭い溝、安定した溝埋め込み、歯付きシーリング表面。
RCR106、RCR107 V字型回転式シール、軸方向の動き、大きな弾性率、摩擦抵抗、ほこり、汚染物質、水しぶき、オイルスプラッシュなど。
RCR108ロータリーシール、単一の演技、スプリングなし、内側と外側の唇の干渉は、さまざまな労働条件に応じて決定されます。
RCR109 Oリング、主に静的シーリングまたは動的シーリング、柔軟な温度媒体選択に使用される弾性リング。詳細な溝については、Oリングサンプルを参照してください。
RCR110シャフト用のロータリーテトラフルオロエチレンシール、二重の作用、狭い溝に適しています。
RCR111穴のロータリーテトラフルオロエチレンシール、二重の演技、狭い溝に適しています。
RCR112ロータリーシール、二重の演技、狭い溝、潤滑された労働条件に適しています。
RCR113ロータリーシール、ダブル演技、サポートリング、安定した溝の埋め込み、掘削機器の回転シャフトで主に使用される押出ギャップと圧力が大きくなります。
RCR115シャフトのロータリーテトラフルオロエチレンシール、二重の作用、低摩擦、抗側の高圧、高温腐食。
RCR116ロータリーテトラフルオロエチレンシール、穴、二重の作用、低摩擦、抗側の高圧、高温腐食。
RCR117、RCR121ロータリーPTFEシール、マンダースプリング、単一の演技、高温腐食抵抗、比較的高速および高圧に適しています。
RCR118は、主に化学産業で使用されているマンダースプリング、単一の演技、高温腐食抵抗を備えたPTFEロータリーシールを終了します。
RCR119ロータリースケルトンシングルリップシール、単一の演技、軸方向の開いた溝設置、広く使用されており、主にベアリングの保護要素として使用されます。
RCR201、RCR202ロータリースケルトンダブルリップシール、シングル演技、ダストプルーフ補助リップ、軸方向の開いた溝設置、広く使用されており、主にベアリングの保護要素として使用されます。
RCR203、RCR204ロータリースケルトンを含まないシングルリップシール、単一の演技、軸方向の開いた溝固定設置。主に冶金や造船などの重業界で使用されます。
RCR205カットオフロータリースケルトンフリーシングルリップシール、単一の演技、軸方向の開いたグルーブフィクスチャ固定設置。主に冶金や造船などの重産業で使用されます。
RCR206、RCR207カットオフロータリーフレームレスシングルリップシール、単一の演技、軸方向の開いたグルーブフィクスチャ固定設置。低速シーリングに適したシーリング媒体は、リチウムベースのグリースです。
製品機能とアプリケーション:
主なアプリケーション
回転回転シールは、シャフトエンドシーリング、回転シャフトシーリング、掘削機、グラバー、回転ジョイント、回転式ディストリビューターに適しています。このタイプのシールは、石油および化学産業でよく使用されます。
利点
回転回転シールには、幅広い適応可能な媒体と温度範囲、良好なシーリング効果、高圧抵抗、断面サイズが小さい、油圧油抵抗性、低摩擦、スティックスリップ現象がありません。

RCR101
注文サイズ
φd......外径
φd......内径
L ......溝の幅
|
表面仕上げ |
r tmax(μm) |
RA(μm) |
|
ラバー/ポリウレタンシールを一致させるスライド面を一致させます スライド面を一致させるPTFEシール |
≤2.5
≤2 |
≤0.1-0.5
≤0.05-0.3 |
|
溝の底 溝側 |
≤6.3 ≤15 |
≤1.6 ≤3 |
|
TPプロファイルサポート長比 |
50%-95% |
|
|
許容範囲 |
|
|
φd |
F8 |
|
φd |
H8 |
注文例
モデル:RCR101
溝のサイズ:100x115x8
素材:NBR/POM

シールタイプ:RCR101、RCR102
メインアプリケーション:シャフトエンドシーリングの回転に適しています
利点:幅広いメディア、広い温度範囲、良好なシーリング効果に適しています
材料:ポリウレタン、ゴム/ポリオキシメチレン
|
シール溝の例 |
以下は、標準の溝の寸法です(サイズ範囲内の任意のサイズの回転シールを生成できます) |
|||||
|
|
|
φd |
φd |
L |
c/s |
|
|
6-59.9 |
φd+12 |
7 |
6 |
|||
|
60-139.9 |
φd+15 |
8 |
7.5 |
|||
|
140-299.9 |
φd+20 |
10 |
10 |
|||
|
300-499.9 |
φd+30 |
12 |
15 |
|||
|
500-800 |
φd+40 |
20 |
20 |
|||
|
>800 |
φd+50 |
22 |
25 |
|||

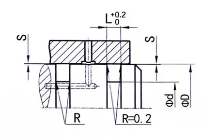
RCR115
注文サイズ
φd......外径
φd......内径
L ......溝の幅
|
表面仕上げ |
r tmax(μm) |
RA(μm) |
|
ラバー/ポリウレタンシールを一致させるスライド面を一致させます スライド面を一致させるPTFEシール |
≤2.5
≤2 |
≤0.1-0.5
≤0.05-0.3 |
|
溝の底 溝側 |
≤6.3 ≤15 |
≤1.6 ≤3 |
|
TPプロファイルサポート長比 |
50%-95% |
|
|
許容範囲 |
|
|
φd |
F8 |
|
φd |
H8 |
注文例
モデル:RCR115
溝のサイズ:100x111x4.2
材料:PTFE4+NBR

シールタイプ:RCR115
メインアプリケーション:回転シャフトシール、掘削機、グラバー、スイベルジョイントに適しています。
利点:高圧に抵抗する可能性があり、断面サイズが小さく、油圧油に耐性があり、摩擦が少なく、スティックスリップ現象がありません。
材料:テトラフルオロエチレン +ニトリルゴムまたは蛍光剤
|
シール溝の例 |
以下は、標準の溝の寸法です(サイズ範囲内の任意のサイズの回転シールを生成できます) |
||||||||
|
|
|
φd |
φd |
L |
R |
X |
最大押しギャップs |
||
|
100bar |
200bar |
||||||||
|
6-18.9 |
φd+4.9 |
2.2 |
0.4 |
1.78 |
0.15 |
0.10 |
|||
|
19-37.9 |
φd+7.5 |
3.2 |
0.6 |
2.62 |
0.20 |
0.15 |
|||
|
38-199.9 |
φd+11 |
4.2 |
1.0 |
3.53 |
0.25 |
0.20 |
|||
|
200-255.9 |
φd+15.5 |
6.3 |
1.3 |
5.33 |
0.30 |
0.25 |
|||
|
256-649.9 |
φd+21 |
8.1 |
1.8 |
7.00 |
0.30 |
0.25 |
|||
|
>650 |
φd+28 |
9.5 |
2.5 |
8.40 |
0.45 |
0.30 |
|||

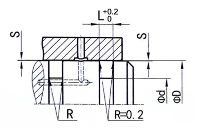
RCR116
注文サイズ
φd......外径
φd......内径
L ......溝の幅
|
表面仕上げ |
r tmax(μm) |
RA(μm) |
|
ラバー/ポリウレタンシールを一致させるスライド面を一致させます スライド面を一致させるPTFEシール |
≤2.5
≤2 |
≤0.1-0.5
≤0.05-0.3 |
|
溝の底 溝側 |
≤6.3 ≤15 |
≤1.6 ≤3 |
|
TPプロファイルサポート長比 |
50%-95% |
|
|
許容範囲 |
|
|
φd |
F8 |
|
φd |
H8 |
注文例
モデル:RCR116
溝のサイズ:100x89x4.2
材料:PTFE4+NBR

シールタイプ:RCR116
メインアプリケーション:回転シャフトエンドシール、掘削機、グラバー、ロータリージョイント、ロータリーディストリビューターに適しています。
利点:幅広いメディアと温度に適しており、優れたシーリング効果、小さな断面サイズ、油圧オイルに対する強い抵抗、低摩擦、スティックスリップ現象はありません。
材料:テトラフルオロエチレン +ニトリルゴムまたは蛍光剤
|
シール溝の例 |
以下は、標準の溝の寸法です(サイズ範囲内の任意のサイズの回転シールを生成できます) |
||||||||
|
|
|
φd |
φd |
L |
R |
o-ring |
最大押しギャップs |
||
|
100bar |
200bar |
||||||||
|
8-39.9 |
φd-4.9 |
2.2 |
0.4 |
1.78 |
0.15 |
0.10 |
|||
|
40-79.9 |
φd-7.5 |
3.2 |
0.6 |
2.62 |
0.20 |
0.15 |
|||
|
80-132.9 |
φD-11.0 |
4.2 |
1.0 |
3.53 |
0.25 |
0.20 |
|||
|
133-329.9 |
φD-15.5 |
6.3 |
1.3 |
5.33 |
0.30 |
0.25 |
|||
|
330-669.9 |
φD-21.0 |
8.1 |
1.8 |
7.00 |
0.30 |
0.25 |
|||
|
>670 |
φD-28.0 |
9.5 |
2.5 |
8.40 |
0.45 |
0.30 |
|||

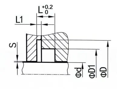
RCR117
注文サイズ
φd......外径
φd1......外径
φd......内径
L ......溝の幅
L1 ......溝の幅
|
表面仕上げ |
r tmax(μm) |
RA(μm) |
|
ラバー/ポリウレタンシールを一致させるスライド面を一致させます スライド面を一致させるPTFEシール |
≤2.5
≤2 |
≤0.1-0.5
≤0.05-0.3 |
|
溝の底 溝側 |
≤6.3 ≤15 |
≤1.6 ≤3 |
|
TPプロファイルサポート長比 |
50%-95% |
|
|
許容範囲 |
|
|
φd |
F8 |
|
φd |
H8 |
注文例
モデル:RCR117
溝のサイズ:100x117.5x110.5x7.1x1.8
材料:PTFE4+v

シールタイプ:RCR117
メインアプリケーション:回転するシャフトエンドシーリングに適しているこのタイプのシールは、石油および化学産業でよく使用されます
利点:低摩擦、腐食抵抗、高温抵抗、高速に適した
材料:PTFE、ステンレス鋼製スプリング
|
シール溝の例 |
以下は、標準の溝の寸法です(サイズ範囲内の任意のサイズの回転シールを生成できます) |
|||||||||
|
|
|
φd |
φd |
FD1 |
L |
L1 |
最大押しギャップs |
|||
|
20bar |
100bar |
200bar |
||||||||
|
5-19.9 |
φd+9 |
φd+5 |
3.6 |
0.85 |
0.25 |
0.15 |
0.10 |
|||
|
20-39.9 |
φd+12.5 |
φd+7 |
4.8 |
1.35 |
0.35 |
0.20 |
0.15 |
|||
|
40-399.9 |
φd+17.5 |
φd+10.5 |
7.1 |
1.8 |
0.50 |
0.25 |
0.20 |
|||
|
400以上 |
φd+22 |
φd+14 |
9.5 |
2.8 |
0.60 |
0.30 |
0.25 |
|||



















































住所
中国山東省青島市城陽区東流亭工業団地瑞城路1号