RCSシリーズは、プロのデザインと技術制作を通じて、ピストンロッドシールを回転させるシールの多様なニーズを満たしており、一般的なシナリオから極端な労働条件までの正確なソリューションを提供します。
構造設計の観点から、基本モデルは安定性と使いやすさに集中しています。RCS101/103は、特に短いストロークの場合、締め切り事前のOリングまたは補助唇を介して埋め込み安定性を高めます。 RCS102/104R/117Rは、材料と溝の互換性を最適化することにより、より高い圧力をサポートします(標準の溝の高圧シナリオのRCS102Rなど)。空気圧システムの場合、RCS105/205は、潤滑油フィルムを維持し、潤滑/非潤滑環境に適応するための特別なリップデザインを採用しています。
Ruichen Sealsは、材料と機能の革新にも焦点を当てています。 RCS118/119/124-129などのモデルは、主体としてポリテトラフルオロエチレン(PTFE)またはポリウレタンをマンダースプリングまたはOリングと組み合わせて、圧力のバランスをとるために使用し、低摩擦、耐摩耗、耐食性を達成し、清潔さと食料充填装置の高温抵抗要件を達成します。 RCS129は、RCS101を使用してシーリングシステムを形成できます。これは、歩行機械や重い油圧装置に適しています。 RCS126-128は、非対称Vピース設計を介して低圧シーリングを最適化し、製薬および化学産業向けにカスタマイズされています。
複雑な労働条件の場合、RCS120/138およびその他の二重描画シールには、高圧と歪みに耐性があり、コンパクトグルーブに適応するサポートリングデザインが統合されています。 RCS131はOリングの代替品であり、耐摩耗性と耐薬品性に耐性があり、食品および製薬業界にとって好ましい選択肢となっています。また、RCS116/216は、フィクスチャのインストールを介して古いシリンダーをすばやく修理して、ダウンタイムコストを削減できます。
RCSシリーズは、顧客が高圧、高速、腐食性メディア、特別な業界の課題に対処し、機器の信頼性と生活を改善するのに役立ちます。
製品機能とアプリケーション:
ピストンロッドシールターニングシールは、油圧シリンダーとシリンダー、エンジニアリング車両、農業機械、クレーンと海洋油圧機器、工作機械に適しています。
重産業機械、プレス、化学産業、高速オイルシリンダー、ポジショニング機械食品産業、製薬業界で使用されています。
利点
ピストンロッドシールターニングシールは、溝に安定して埋め込まれ、広い温度範囲、優れた静的シーリングパフォーマンス、動的条件下での強い残留オイルの回復能力があります。低摩擦、忍び寄ることなく、耐摩耗性が高く、静的と摩擦の値が低く、良好な排出性パフォーマンスのみ、優れた熱伝導率、広い温度範囲。
古いピストンロッドに適しています。オープンタイプは、簡単に取り付けるのが簡単です。

RCS101
注文サイズ
φd......外径
φd......内径
L ......溝の幅
| 表面仕上げ | r tmax(μm) | RA(μm) |
| ラバー/ポリウレタンシールを一致させるスライド面を一致させます スライド面を一致させるPTFEシール | ≤2.5 ≤2 | ≤0.1-0.5 ≤0.05-0.3 |
| 溝の底 溝側 | ≤6.3 ≤15 | ≤1.6 ≤3 |
| TPプロファイルサポート長比 | 50%-95% |
|
| 許容範囲 | |
| φd | F8 |
| φd | H10 |
注文例
モデル:RCS101
溝のサイズ:100x115x10
素材:RC-PU-H

シールタイプ:RCS101、RCS102、RCS103、RCS104、RCS205、RCS106、RCS107、RCS108、RCS117、RCS121
メインアプリケーション:油圧および空気圧シリンダーに適しています
利点:溝に安定した埋め込み、広い温度範囲、優れた静的および動的シーリング性能、動的条件下での強い残留オイル抽出能力。
材料:ポリウレタン、ゴム
| シール溝の例 | 以下は、標準の溝の寸法です(サイズ範囲内の任意のサイズのダストシールを生成できます) | ||||||||
![]() |
![]() |
φd | φd | L | c/s | 最大押しギャップ | |||
| 100bar | 250bar | 400bar | |||||||
| 5-24.9 | φd+8 | 6.3 | 4 | 0.50 | 0.35 | 0.25 | |||
| 25-49.9 | φd+10 | 8 | 5 | 0.50 | 0.35 | 0.25 | |||
| 50-149.9 | φd+15 | 10 | 7.5 | 0.50 | 0.35 | 0.25 | |||
| 150-229.9 | φd+20 | 14 | 10 | 0.50 | 0.35 | 0.25 | |||
| 300-499.9 | φd+25 | 17 | 12.5 | 0.50 | 0.35 | 0.25 | |||
| 500-699.9 | φd+30 | 25 | 15 | 0.50 | 0.35 | 0.25 | |||
| >700 | φd+40 | 32 | 20 | 0.60 | 0.40 | 0.30 | |||
| > 1000 | φd+50 | 40 | 25 | 0.70 | 0.50 | 0.40 | |||

RCS109
注文サイズ
φd......外径
φd......内径
L ......溝の幅
|
表面仕上げ |
r tmax(μm) |
RA(μm) |
|
ラバー/ポリウレタンシールを一致させるスライド面を一致させます スライド面を一致させるPTFEシール |
≤2.5
≤2 |
≤0.1-0.5
≤0.05-0.3 |
|
溝の底 溝側 |
≤6.3 ≤15 |
≤1.6 ≤3 |
|
TPプロファイルサポート長比 |
50%-95% |
|
|
許容範囲 |
|
|
φd |
F8 |
|
φd |
H10 |
注文例
モデル:RCS109
溝のサイズ:100x115.1x6.3
材料:PTFE3+NBR

シールタイプ:RCS109
主な用途:エンジニアリング車両、農業機械、クレーン、海洋油圧機器、工作機械。
利点:低摩擦、クリープなし、耐摩耗性が高く、優れた抗排出性能のみ、優れた熱伝導率、安定した埋め込み溝、広い温度範囲。
材料:テトラフルオロエチレン、ニトリルゴムまたはフッ素ゴム
|
シール溝の例 |
以下は、標準の溝の寸法です(サイズ範囲内の任意のサイズのダストシールを生成できます) |
||||||||
|
|
|
φd |
φd |
L |
c/s |
最大押しギャップ |
|||
|
100bar |
200bar |
400bar |
|||||||
|
5-7.9 |
φd+4.9 |
2.2 |
2.45 |
0.30 |
0.20 |
0.15 |
|||
|
8-18.9 |
φd+7.3 |
3.2 |
3.64 |
0.40 |
0.25 |
0.15 |
|||
|
19-37.9 |
φd+10.7 |
4.2 |
5.35 |
0.40 |
0.25 |
0.20 |
|||
|
38-199.9 |
φd+15.1 |
6.3 |
7.55 |
0.50 |
0.30 |
0.20 |
|||
|
200-255.9 |
φd+20.5 |
8.1 |
10.25 |
0.60 |
0.35 |
0.25 |
|||
|
256-649.9 |
φd+24 |
8.1 |
12 |
0.60 |
0.35 |
0.25 |
|||
|
650-1000 |
φd+27.3 |
9.5 |
13.65 |
0.70 |
0.50 |
0.30 |
|||
|
> 1000 |
φd+38 |
13.8 |
19 |
1.00 |
0.70 |
0.50 |
|||

RCS110-112
注文サイズ
φd......外径
φd......内径
L ......溝の幅
|
表面仕上げ |
r tmax(μm) |
RA(μm) |
|
ラバー/ポリウレタンシールを一致させるスライド面を一致させます スライド面を一致させるPTFEシール |
≤2.5
≤2 |
≤0.1-0.5
≤0.05-0.3 |
|
溝の底 溝側 |
≤6.3 ≤15 |
≤1.6 ≤3 |
|
TPプロファイルサポート長比 |
50%-95% |
|
|
許容範囲 |
|
|
φd |
F8 |
|
φd |
H10 |
注文例
モデル:RCS110-112
溝のサイズ:100x120x32
素材:RC-PU-H+POM

シールタイプ:RCS110-112、RCS126-128
メインアプリケーション:重工業機械の場合、プレス
利点:古いピストンロッド、オープンタイプのインストールが簡単なクリーパーに適しています
材料:ポリウレタン、ポリオキシメチレン、ナイロン
|
シール溝の例 |
以下は、標準の溝の寸法です(サイズ範囲内の任意のサイズのダストシールを生成できます) |
|||||
|
|
|
φd |
φd |
L |
c/s |
|
|
10-39.9 |
φd+10 |
16 |
5 |
|||
|
40-74.9 |
φd+15 |
25 |
7.5 |
|||
|
75-149.9 |
φd+20 |
32 |
10 |
|||
|
150-199.9 |
φd+25 |
40 |
12.5 |
|||
|
200-299.9 |
φd+30 |
50 |
15 |
|||
|
300-599.9 |
φd+40 |
63 |
20 |
|||
|
>600 |
φd+40 |
80 |
20 |
|||
|
> 1000 |
φd+50 |
100 |
25 |
|||

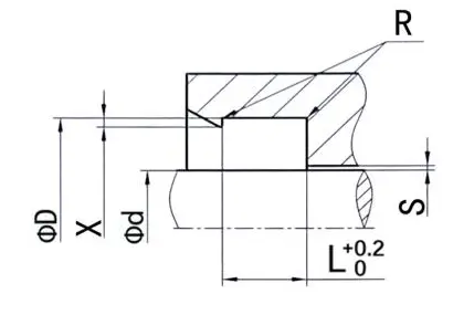
RCS119
注文サイズ
φd......外径
φd......内径
L ......溝の幅
|
表面仕上げ |
r tmax(μm) |
RA(μm) |
|
ラバー/ポリウレタンシールを一致させるスライド面を一致させます スライド面を一致させるPTFEシール |
≤2.5
≤2 |
≤0.1-0.5
≤0.05-0.3 |
|
溝の底 溝側 |
≤6.3 ≤15 |
≤1.6 ≤3 |
|
TPプロファイルサポート長比 |
50%-95% |
|
|
許容範囲 |
|
|
φd |
F8 |
|
φd |
H10 |
注文例
モデル:RCS119
溝のサイズ:100x109.4x7.1
材料:PTFE2+NBR

シールタイプ:RCS119
メインアプリケーション:化学産業、迅速なシリンダー、ポジショニング機械。食品産業、製薬産業。
利点:高温やさまざまな化学媒体、低摩擦係数、クリープなし、良好な乾燥摩擦特性、低静摩擦値と摩擦値に耐性があります。
材料:PTFE+リーフスプリング
|
シール溝の例 |
以下は、標準の溝の寸法です(サイズ範囲内の任意のサイズのダストシールを生成できます) |
|||||||||
|
|
|
φd |
φd |
L |
R |
X |
最大押しギャップ |
|||
|
100bar |
200bar |
400bar |
||||||||
|
10-19.9 |
D+4.5 |
3.6 |
0.4 |
0.6 |
0.15 |
0.10 |
0.07 |
|||
|
20-39.9 |
D+6.2 |
4.8 |
0.6 |
0.7 |
0.20 |
0.15 |
0.08 |
|||
|
40-119.9 |
D+9.4 |
7.1 |
0.8 |
0.8 |
0.25 |
0.20 |
0.10 |
|||
|
120-1000 |
D+12.2 |
9.5 |
0.8 |
0.9 |
0.30 |
0.25 |
0.12 |
|||
|
> 1000 |
D+19.0 |
15 |
0.8 |
0.9 |
0.50 |
0.40 |
0.20 |
|||



















































































住所
中国山東省青島市城陽区東流亭工業団地瑞城路1号